Pump Tanks
Pressurized Delivery for Challenging Site Layouts
Pump tanks play a critical role in onsite wastewater treatment when gravity alone can’t do the job. Whether your absorption field is uphill or requires pressurized dosing, pump tanks ensure that effluent is distributed evenly and efficiently, allowing for better use of limited or marginal soil.
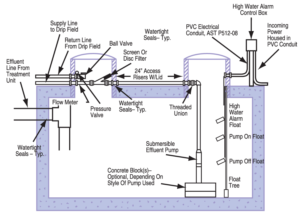
These tanks collect effluent from the septic tank and use a pump to deliver it to the soil treatment area, either to higher ground or under pressure across the entire field.
How It Works
- Effluent from the septic tank enters a pump tank, where a number of components work together:
- Pump: Moves effluent to the next stage in treatment or dispersal.
- Float Switches: Trigger pumping at scheduled volumes and alert users to high water levels.
- Alarm System: Provides both visual and audible alerts if the pump fails, helping homeowners respond before major issues arise.
Effluent should be filtered before entering the pump tank to prevent solids from damaging the pump. The tank’s design and operation ensure uniform dispersal and improved treatment efficiency, particularly for sites where soil conditions or elevations require a pressure-based approach.
- Pump: Moves effluent to the next stage in treatment or dispersal.

Why Regular Maintenance Is Essential
Neglecting a pump tank can lead to serious consequences for public health, the environment, and your wallet.
Health Risks
Untreated wastewater can contaminate groundwater and wells with harmful pathogens such as:

Hepatitis A

Salmonella

Giardiasis

Cholera

Tetanus

Typhoid fever
It can also introduce nitrogen and phosphorus into nearby waterways, harming ecosystems.
Financial Risks
Routine maintenance costs between $150–$300, while repairs or full system replacements can range from $4,500 to $30,000. A well-maintained pump tank avoids costly failures and extends the life of your entire OWTS.
Do’s of Pump Tank System Care
- Obtain permits for any construction or system changes
- Use certified professionals for installation and inspections
- Keep pump and tank components accessible and child-safe
- Inspect and pump tanks every 2–5 years
- Maintain records of inspections and repairs
- Conserve water inside the home to reduce system load
- Divert rainwater and runoff away from the tank
- Safely dispose of household chemicals at approved centers
Don’ts of Pump Tank System Use
- Don’t enter a septic or pump tank, gases can be deadly
- Don’t drive or park over the system
- Don’t plant trees or shrubs near the tank or field
- Don’t perform unauthorized repairs
- Don’t pour grease, solvents, or medications down the drain
- Don’t flush non-biodegradable items (e.g., wipes, diapers, paper towels)
- Don’t use additives, they can disrupt system function
Want to Learn More?
Contact Missouri Smallflows Organization for support or questions.
contact@mosmallflows.org
(417) 631-4027